A teď, jak bych to řešil já

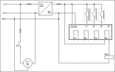
Na Aukru se občas dají koupit programovatelná relé (Zelio, Millenium, Logo,...) za docela rozumné koruny. Pro tuto aplikaci by stačilo bohatě nějaké malé, se čtyřmi vstupy. Programování těchto relé zvládne i orangutan středního vzrůstu, takže není čeho se bát. Samotné zapojení bych realizoval tak, že by jeden termostat hlídal teplotu vody v bazénu, aby to koupající se neuvařilo, druhý termostat by hlídal teplotu vody, kterou do bazénu napouštíme, aby se naopak do bazénu netlačila studená voda. Soumrakový spínač by nám pak hlídal sluníčko. V programu samotném pak by byl zakomponovaný časový spínač, který by byl nastavený cca od 10:00 do 18:00. Tím by byl vymezený čas od kdy do kdy. Je mi jasné, že toto řešení něco bude stát, nicméně jsem přesvědčený, že pokud se chci bezstarostně válet u vody, musím za to zaplatit
A ještě důležité a důrazné upozornění. Nezapomínej, že elektrika je dobrý sluha, ale špatná milenka. Ani ve smyku nespínat termostaty síťové napětí a ovládat tak motor napřímo. Všechno zapojit ve vodotěsném rozvaděči. Žádné bastly na prodlužovačce, omotané PVC páskou (v lepším případě Rotundou). A rozhodně mít všechno připojené přes proudový chránič. Jde o život...
Nalezl jsem toto:
http://aukro.cz/siemens-logo-i3370795230.html za ty peníze, když tam nikdo nevleze, je to zadarmo, sám bych do toho šel, nemít dvě Zelia od Schneidera
